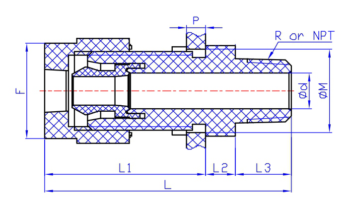
穿板直通 PANEL MOUNT UNlON

**mm-based tube - R thread type (Unit: mm)

**Inch-based tube - NPT thread type (Unit: mm)
**所有尺寸僅供參考
**"W"為接頭本體兩面之寬度

**mm-based tube - R thread type (Unit: mm)

**Inch-based tube - NPT thread type (Unit: mm)
**所有尺寸僅供參考
**"W"為接頭本體兩面之寬度
© Copyright
Ritai Enterprise Co., Ltd. – All Rights Reserved.